体験記 「トラ技への投稿」
はじめて雑誌の原稿を書いたのは中学生の頃で、「初歩のラジオ」に掲載されました。 発明工夫のページで、プログラム
リストを1行ずつ見やすくするホルダーのアイディアを投稿したと思います。
たしか原稿料は4000円で、源泉徴収400円引かれたと思います。はじめての納税ですよ。
明細書には、定型文ですが「先生におかれましては・・・」みたいな文章があって、おお、先生だなんて恐縮だなあと。
おっと、その前だったか後だったか忘れたが、新聞の投書欄にしょうもない作文を送って、500円の図書券を2枚もら
ったっけ。
中学生の頃は、「ラジオの製作」などの筆者の方は、これだけでメシくってんのかなあと思っていた。そんな訳はない
ですよね?(あるのかな)
当時の筆者の方々の名前は、いまでも覚えています。なかでも、丹治さんの製作記事はユニークな物が多くて面白
かった。その後、「バックアップ活用テクニック」(現・ゲームラボ)でも活躍されていますね。
そうそう、その丹治さんの記事で、「毎日カップラーメンを食いながら、開発に没頭」みたいな文章があって、やっぱり
これでメシくってんのかと、勝手に想像していました(笑)。
「子供の科学」で、折り込んである製作記事のページありましたよね。泉弘志さんの、独特のイラストが印象的でした。
弁当箱(タッパー)にラグ板、またはカマボコ板にラグ板というのが定番でしたよね。
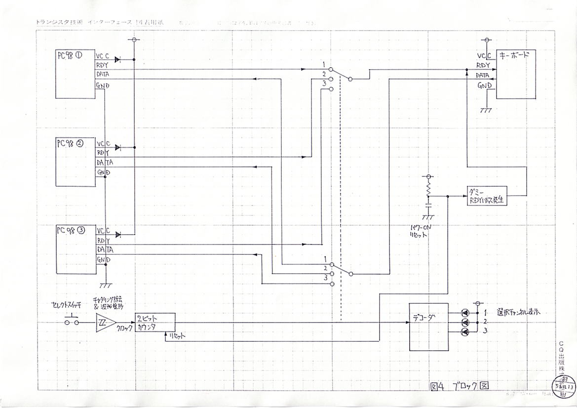
初めて、トラ技に掲載されたのはずいぶん前で、1997年3月号「キーボード切替機」だった。
そういえばこの当時は、源泉徴収の意味を知らなくて、結局、確定申告しなかったんだよな・・・申告すれば、たぶん
還付されたと思うんだが?
プリント基板を作ったり、部品代とか、部品を買いに行く交通費とかで経費がかかっていたのに、領収証をもらうという
知恵もなかったっけ。なんせ、そういう知恵がないサラリーマンだった(執筆当時、最初の会社を辞めた直後だった)。
さて、これを読んでいる人で、トラ技に投稿してみたいという人がいるかどうかわからないが、その実際の流れというか
手順を、実例をもとに書いてみたいと思う。こういう話は、意外とよそでは書いてないんじゃないかな?
なお、内容に関しては、1996〜1997年当時のものであり、現在はどうなのか知らないので、参考として見てください。
お役に立てれば幸いです。
なにか実験したり、製作したことを文章にまとめて発表するというのは良い事だと思います。ぜひ挑戦してみて下さい。
(1)最初はどうする?
トラ技の本文の最後に、「次号のお知らせ」とか「編集部から」というページがある。だいたい、緑色のページの手前ぐら
いだ。
そこに、「●投稿歓迎します」という文章がある。それを読むと、テーマと内容の概要を、レポート用紙1〜2枚程度に
まとめて送るようにとある。
※いまはCQ出版のホームページにも投稿募集についての記述がある。
さて、そのとき、実際に送ったものがこれ。テキストデータでは残っていなかったので、実際の原稿をスキャンしたものです。
(当時の1.2MBフォーマットのフロッピー読めないしなあ・・・古いからカビがはえてるかもしれないし・・・)。
※この当時は、MS−DOS上のテキストエディタで文章を書いて、プリンタはBJ−10Vを使っていた。
郵送したのは1996年9月末日だったと思う。
(2)編集部とのやりとり
その後、たしか3週間ぐらいたってから、ある日ドサッと、CQ出版からでかい封筒が届いた。中には、次のような
物が同封されていた。
1. 原稿ご執筆のお願い(連絡書)
2. 原稿ご執筆上のお願い
3. 原稿用紙2冊
4. 図表用紙1冊
まず1だが、編集部から、盛り込んで欲しい内容が書かれていた。内容、締め切り、原稿の量については、ご相談の上
とあった。
内容に関しては、次に示す項目について、図表や写真をまじえて、わかりやすく紹介・説明して下さいとの指示だった。
1) 概要:
製作の動機、回路の特徴など
2) 回路の説明:
回路の動作を、回路図や動作波形などを示しながら説明
3) 製作について:
使用したソフトの紹介、製作上のコツなど
4) まとめ:
使い方、動作の様子、評価、感想など
なお、この連絡書(原稿執筆お願いの定型用紙)には、原稿の締め切り日、掲載予定号、掲載ページ数、文章枚数、
図・表・写真の枚数について記入する項目があったが、この時点では、掲載予定号が「1997年近月号」としか記入
されていなかった。
原稿締め切り日についてはご相談に応じますということと、回路図を送ってほしい(回路の規模などから、予定ページ数
を決めたい)旨、書いてあった。
次に2だが、これはトラ技の原稿の書き方のルールがまとめてあった。
1) トラ技は、24文字×49行×2段の合計2300字で1ページである。図面や表・写真を含めると、だいたい1頁に
つき半分から1/3程度が文章になる。
2) 文体は、ですます調でわかりやすい記述。
3) 参考文献については、著者名、書名、版数、参考/引用ページ、出版社名、発行日について記述する。
4) 他の文字と混同しやすい、ギリシャ文字、アルファベットのIとかO、数字の0、1などは赤ペンで原稿用紙に指示すること。
5) 図表や写真には、通し番号をふって簡単な説明文を添える。
6) 回路図はテンプレートを使用。素子名や定数は記載もれのないように。
特殊な部品は、入手方法を付記。
7) 外国の文献からの引用は、日本語に翻訳すること。
8) 執筆にワープロ使用の場合、MS−DOSのテキストファイルで支給してほしい。
あと、メールアドレスを持っていれば教えて下さいという事だったが、当時はまだインターネットが普及し始めたばかりだっ
た。自分は、まだアドレスを持っていなかったのでFAXでの連絡を指定した。
たぶん最近だと、メールでの打ち合わせや原稿支給という形が主流だと思う。当時はフロッピーを郵送した。
そして、さっきの連絡書の内容に対して、こちらから質問や内容確認のFAXを送った。現物は残っていないが、編集部から
10月24日に回答FAXが届いた。
その概要は次の通り。
1) 原稿締め切り日
11月20日頃でOK
2) 回路図
最終版でなくてもかまわないので、掲載ページ数を見積もりするので送って欲しい。
必ずしも専用の図表用紙に書かなくても良い。B4グラフ用紙1枚に入るようならそれでもOK。
3) 写真
紙焼き写真を希望。
JPEGは解像度の点と、エッジが乱れることからクオリティが良くない。
4) 基板図面
データファイル、BMPファイル、プリントアウトの3点
プリントアウトの用紙は、上質紙でOK
5) 原稿
テキストファイルは、24文字で改行を入れなくてもOK
通常のテキスト形式
プリントアウトは、横24文字ならば行数は多少違ってもOK
6) データについて
基板やGALのデータは、ニフティFDEVICEのデータライブラリへアップロードしたいが良いですか?
写真については、こちらから1996年10月号の378ページの例をあげて、JPEGじゃだめですかと問い合わせしたもの。
回答では、確かに480×640のJPEG形式だったとの事。
だが、この当時はデジカメの性能がまだ低く、基本的に銀塩写真のみであると強く言われた。その後、一時期は、いかにも
デジカメ写真だなと思うようなクオリティの写真が掲載されていたのを目にした。
なにしろ、1995年にカシオのQV−10が発売されたばかりですからね!
1996年10月号には、ミノルタRD−175の試用記事があったぐらい。ちなみに3CCD方式で175万画素、値段は68万円!!
アクセサリキット8万9千円!重さ1.1キロ!(電池別)
記録メディアはPCMCIAタイプ3のHDDカード、容量は131メガだって・・・。そんな時代でした。
ところで10月24日付けのFAXだが、なぜか10月29日にも同じFAXが届いた。間違い?
それと、データのアップロードだが結局アップロードされなかった。現在、CQ出版のホームページにも掲載されていない。
まあ、現在はPC9801の時代じゃないから、誰もいらないと思うけど。(誰かいりますか?)
あと原稿用紙と図表用紙だが、ワープロを使ったので原稿用紙は1枚も使わなかった。図表用紙は、ブロック図などを
描くのに使用した。
